中文/英文
025-58270802021-61090382
当前位置: 首页 > 产品中心 > 控制驱动 > 继电器/马达驱动 > 控制驱动

继电器/马达驱动-CN8043

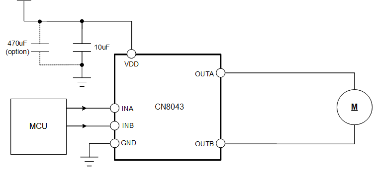
CN8043是用于驱动可逆电机的H桥电机驱动器,可驱动一个DC电机,一个步进电机的绕组或其他负载。 CN8043在4.4V至40V的电动机电源电压下工作,具有4.5A的过流保护。 CN8043由两个输入引脚控制。两个开/关输入确定输出模式:前进,后退,惯性或制动。当两个输入均处于低电平时,可以实现非常低的待机电路电流。 CN8043可提供ESOP-8、SOP-8封装。

控制驱动

芯片特点

宽功率范围:4.4V40V

4.5A过流保护

MOSFET导通电阻:Rhs =0.45ΩRls =0.25Ω

正向,反向,惯性或制动输出模式

适用于广泛的MCU控制逻辑

输入逻辑迟滞

过热关断

典型应用

订货信息

产品料号

封装

数量/编带

CN8043AEHR

ESOP-8

4000/

CN8043BEHR

ESOP-8

4000/

CN8043ASHR

SOP-8

4000/

CN8043BSHR

SOP-8

4000/


x